| État de disponibilité: | |
|---|---|
| Quantité: | |
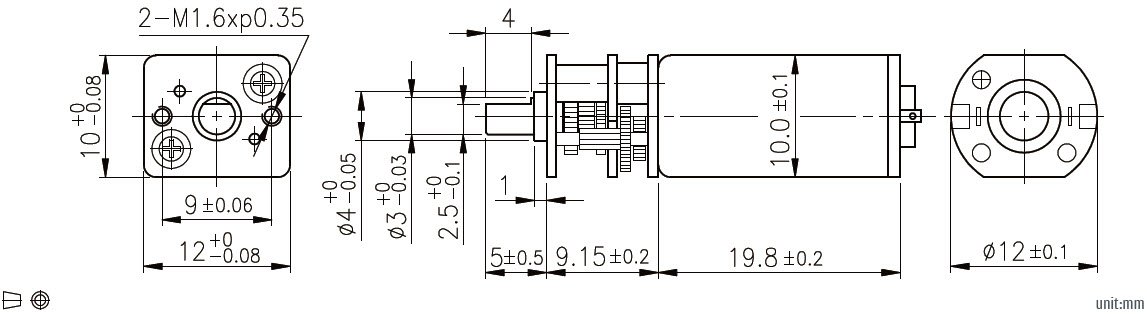
D122F-03&04
Le motoréducteur CC de 12 mm est un petit moteur à engrenages haut de gamme avec une conception ultra-compacte et des performances de transmission stables. Il offre une sortie à faible vitesse et un couple élevé et s'adapte parfaitement aux scénarios d'installation dans des espaces restreints. Ce petit moteur à engrenages est largement utilisé dans les appareils domestiques intelligents, les instruments de précision, les équipements médicaux et les systèmes de micro-automatisation.
| Rapport de réduction | 1/10 | 1/19 | 1/29 | 1/60 | 1/76 | 1/102 | 1/134 | 1/197 | 1/235 | 1/298 | |
| 3V | Couple nominal (G.CM) | 24 | 40 | 60 | 115 | 150 | 200 | 235 | 345 | 415 | 525 |
| Vitesse nominale (tr / min) | 1300 | 700 | 460 | 225 | 175 | 132 | 100 | 68 | 57 | 45 | |
| 6V | Couple nominal (G.CM) | 30 | 55 | 80 | 155 | 200 | 270 | 300 | 460 | 530 | 700 |
| Vitesse nominale (tr / min) | 1500 | 780 | 510 | 250 | 195 | 145 | 112 | 76 | 64 | 50 | |
| Direction de rotation | CW | Ccw | CW | Ccw | |||||||
Le motoréducteur CC de 12 mm est un petit moteur à engrenages haut de gamme avec une conception ultra-compacte et des performances de transmission stables. Il offre une sortie à faible vitesse et un couple élevé et s'adapte parfaitement aux scénarios d'installation dans des espaces restreints. Ce petit moteur à engrenages est largement utilisé dans les appareils domestiques intelligents, les instruments de précision, les équipements médicaux et les systèmes de micro-automatisation.
| Rapport de réduction | 1/10 | 1/19 | 1/29 | 1/60 | 1/76 | 1/102 | 1/134 | 1/197 | 1/235 | 1/298 | |
| 3V | Couple nominal (G.CM) | 24 | 40 | 60 | 115 | 150 | 200 | 235 | 345 | 415 | 525 |
| Vitesse nominale (tr / min) | 1300 | 700 | 460 | 225 | 175 | 132 | 100 | 68 | 57 | 45 | |
| 6V | Couple nominal (G.CM) | 30 | 55 | 80 | 155 | 200 | 270 | 300 | 460 | 530 | 700 |
| Vitesse nominale (tr / min) | 1500 | 780 | 510 | 250 | 195 | 145 | 112 | 76 | 64 | 50 | |
| Direction de rotation | CW | Ccw | CW | Ccw | |||||||
| Volt nominal (V) | Couple nominal (g.cm) | Vitesse nominale (tr / min) | Courant nominal (MA) | Pas de vitesse de charge (tr / min) | Pas de courant de charge (MA) | Poids (g) |
| 3.0 | 3.0 | 13500 | <= 310 | 16000 | <= 90 | 7.5 |
| 6.0 | 4.0 | 15000 | <= 250 | 18000 | <=65 | 7.5 |
| Volt nominal (V) | Couple nominal (g.cm) | Vitesse nominale (tr / min) | Courant nominal (MA) | Pas de vitesse de charge (tr / min) | Pas de courant de charge (MA) | Poids (g) |
| 3.0 | 3.0 | 13500 | <= 310 | 16000 | <= 90 | 7.5 |
| 6.0 | 4.0 | 15000 | <= 250 | 18000 | <=65 | 7.5 |