| État de disponibilité: | |
|---|---|
| Quantité: | |
S493 (49 mm) - 50 / 60Hz
I.CH
49mm AC Synchonous Motor
Le moteur synchrone de 49 mm AC est un appareil compact et efficace utilisé dans diverses applications. Avec un diamètre de 49 mm, il est idéal pour les petites machines et appareils électroménagers. La nature synchrone du moteur garantit que le rotor tourne à la même fréquence que le courant appliqué, entraînant une vitesse synchrone. Ce moteur se trouve couramment dans des appareils tels que les climatiseurs portables, les petits ventilateurs, les actionneurs de valve et d'autres appareils ménagers. Sa fiabilité, sa conception compacte et sa polyvalence en font un choix populaire dans l'industrie.
| Spécification | ||||||||||
| Modèle | Vitesse de sortie (tr / min) | Couple de sortie (kg.cm / lb.in) | Tension (v.ac) | Courant (a) | Fréquence (Hz) | Puissance d'entrée (w) | Bruit (db) | Rotation | ||
| S1 continu | S2 15 minutes | S2 5 minutes | ||||||||
| S493-45-1.0 | 1.04 | 45/39 | 60/52.2 | 70 / 60.9 | 24 ********* 110 ********* 220 | <0,2 ********** <0,05 ********* <0,023 | 50 / 60Hz | 2,5 ~ 7 | <45 | CW / CCW / bidirectionnel |
| S493-30-1.5 | 1.50 | 30/26 | 40/34.8 | 46/40 | ||||||
| S493-22-2.0 | 2 | 22/19 | 30/26 | 35/30,5 | ||||||
| S493-18-2.5 | 2.5 | 18/15.7 | 24/20.9 | 28 / 24.4 | ||||||
| S493-11-4.0 | 4 | 11/9.6 | 15/13 | 17.5 / 15.2 | ||||||
| S493-09-4.8 | 4.8 | 9.4 / 8.2 | 12.5 / 10.9 | 14.5 / 12.6 | ||||||
| S493-09-5.0 | 5 | 9 / 7.8 | 12 / 10.4 | 14/12.2 | ||||||
| S493-08-5.8 | 5.8 | 7.6 / 6.6 | 10 / 8.7 | 12 / 10.4 | ||||||
| S493-05-9.0 | 9 | 5 / 4.35 | 6.5 / 5.7 | 7.8 / 6.8 | ||||||
| S493-03-15 | 15 | 3/2,6 | 4 / 3,5 | 4.6 / 4 | ||||||
| S493-02-25 | 25 | 1.8 / 1,57 | 2.4 / 2.1 | 2.8 / 2.43 | ||||||
| S493-02-30 | 30 | 1.5 / 1.3 | 2/1,74 | 2.3 / 2 | ||||||
| S493-01-45 | 45 | 1 / 0,87 | 1.3 / 1.13 | 1.5 / 1.3 | ||||||
| S493-01-60 | 60 | 0.75 | 1 / 0,87 | 1.2 / 1.04 | ||||||
| S493-01-75 | 75 | 0.6 | 0,8 / 0,7 | 1,0 / 0,87 | ||||||
| Remarque: Les données ci-dessus proviennent de moteurs inférieurs à 50 Hz. Si moins de 60 Hz, vitesse * 1,2, couple / 1,2 autre vitesse et couple nécessaire, veuillez contacter notre service de vente | ||||||||||
| Sécurité | |
| Résistance à l'isolation | DC 500V 100m ohms |
| Force d'isolation | AC1500V, 50Hz / min (moteur 220 V) |
| Classe d'isolation | E (105 ℃ ) / b (130 ℃ ) |
| Environnement | Temp.-10 ℃ ~ + 40 ℃ / Humidité: <85 |
| Certification | CE Rohs CCC |
Le moteur synchrone de 49 mm AC est un appareil compact et efficace utilisé dans diverses applications. Avec un diamètre de 49 mm, il est idéal pour les petites machines et appareils électroménagers. La nature synchrone du moteur garantit que le rotor tourne à la même fréquence que le courant appliqué, entraînant une vitesse synchrone. Ce moteur se trouve couramment dans des appareils tels que les climatiseurs portables, les petits ventilateurs, les actionneurs de valve et d'autres appareils ménagers. Sa fiabilité, sa conception compacte et sa polyvalence en font un choix populaire dans l'industrie.
| Spécification | ||||||||||
| Modèle | Vitesse de sortie (tr / min) | Couple de sortie (kg.cm / lb.in) | Tension (v.ac) | Courant (a) | Fréquence (Hz) | Puissance d'entrée (w) | Bruit (db) | Rotation | ||
| S1 continu | S2 15 minutes | S2 5 minutes | ||||||||
| S493-45-1.0 | 1.04 | 45/39 | 60/52.2 | 70 / 60.9 | 24 ********* 110 ********* 220 | <0,2 ********** <0,05 ********* <0,023 | 50 / 60Hz | 2,5 ~ 7 | <45 | CW / CCW / bidirectionnel |
| S493-30-1.5 | 1.50 | 30/26 | 40/34.8 | 46/40 | ||||||
| S493-22-2.0 | 2 | 22/19 | 30/26 | 35/30,5 | ||||||
| S493-18-2.5 | 2.5 | 18/15.7 | 24/20.9 | 28 / 24.4 | ||||||
| S493-11-4.0 | 4 | 11/9.6 | 15/13 | 17.5 / 15.2 | ||||||
| S493-09-4.8 | 4.8 | 9.4 / 8.2 | 12.5 / 10.9 | 14.5 / 12.6 | ||||||
| S493-09-5.0 | 5 | 9 / 7.8 | 12 / 10.4 | 14/12.2 | ||||||
| S493-08-5.8 | 5.8 | 7.6 / 6.6 | 10 / 8.7 | 12 / 10.4 | ||||||
| S493-05-9.0 | 9 | 5 / 4.35 | 6.5 / 5.7 | 7.8 / 6.8 | ||||||
| S493-03-15 | 15 | 3/2,6 | 4 / 3,5 | 4.6 / 4 | ||||||
| S493-02-25 | 25 | 1.8 / 1,57 | 2.4 / 2.1 | 2.8 / 2.43 | ||||||
| S493-02-30 | 30 | 1.5 / 1.3 | 2/1,74 | 2.3 / 2 | ||||||
| S493-01-45 | 45 | 1 / 0,87 | 1.3 / 1.13 | 1.5 / 1.3 | ||||||
| S493-01-60 | 60 | 0.75 | 1 / 0,87 | 1.2 / 1.04 | ||||||
| S493-01-75 | 75 | 0.6 | 0,8 / 0,7 | 1,0 / 0,87 | ||||||
| Remarque: Les données ci-dessus proviennent de moteurs inférieurs à 50 Hz. Si moins de 60 Hz, vitesse * 1,2, couple / 1,2 autre vitesse et couple nécessaire, veuillez contacter notre service de vente | ||||||||||
| Sécurité | |
| Résistance à l'isolation | DC 500V 100m ohms |
| Force d'isolation | AC1500V, 50Hz / min (moteur 220 V) |
| Classe d'isolation | E (105 ℃ ) / b (130 ℃ ) |
| Environnement | Temp.-10 ℃ ~ + 40 ℃ / Humidité: <85 |
| Certification | CE Rohs CCC |
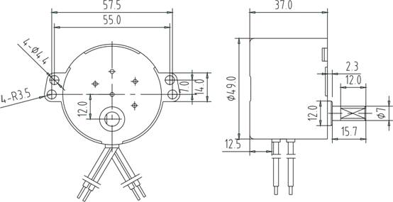
| Dimensions mécaniques |
![]() |
| Dimensions mécaniques |
![]() |
Arbre personnalisé à arbre
Arbre rond , D-cut sahft , arbre de coupe H , Longueur personnalisée
Arbre personnalisé à arbre
Arbre rond , D-cut sahft , arbre de coupe H , Longueur personnalisée
Fiche technique complète S493.pdf
Fiche technique complète S493.pdf
La capacité d'usine
I.CH Motion a été établie en 2006. Nous nous concentrons sur les moteurs de l'AC pour l'appareil électrique ménagers et industriel. En fait, nous avons des usines de micro-moteur professionnelles situées dans la province du Jiangsu. Après des années de développement, nous avons construit une grande réputation sur le marché étranger.
Avantages
1. Pas de MOQ limité;
2. Durée courte;
3. Réponse rapidement dans le temps;
Package
-Cartons, package de palettes;
-Sea Shipping ou Shipping Air;
-Dévaluation: 3 à 8 semaines. 

FAQ
Q: Quelle vitesse pour le moteur AC de 49 mm?
R: Nous faisons normalement de la vitesse du moteur synchrone de 49 mm AC de 1 tr / min à 75 tr / min, cela dépend de votre demande, nous pouvons également personnaliser la vitesse.
Q: Où le moteur à engrenages synchrones peut-il être utilisé?
R: Il peut être utilisé dans le moteur des appareils électriques des ménages, comme le contrôle de la vanne.
Q: Puis-je avoir des échantillons pour les tests en premier?
R: Oui, vous pouvez certainement. Vous pouvez commander des prototypes d'expérience, et notre MOQ pour l'ordre par lots est de 1000 pc.
La capacité d'usine
I.CH Motion a été établie en 2006. Nous nous concentrons sur les moteurs de l'AC pour l'appareil électrique ménagers et industriel. En fait, nous avons des usines de micro-moteur professionnelles situées dans la province du Jiangsu. Après des années de développement, nous avons construit une grande réputation sur le marché étranger.
Avantages
1. Pas de MOQ limité;
2. Durée courte;
3. Réponse rapidement dans le temps;
Package
-Cartons, package de palettes;
-Sea Shipping ou Shipping Air;
-Dévaluation: 3 à 8 semaines. 

FAQ
Q: Quelle vitesse pour le moteur AC de 49 mm?
R: Nous faisons normalement de la vitesse du moteur synchrone de 49 mm AC de 1 tr / min à 75 tr / min, cela dépend de votre demande, nous pouvons également personnaliser la vitesse.
Q: Où le moteur à engrenages synchrones peut-il être utilisé?
R: Il peut être utilisé dans le moteur des appareils électriques des ménages, comme le contrôle de la vanne.
Q: Puis-je avoir des échantillons pour les tests en premier?
R: Oui, vous pouvez certainement. Vous pouvez commander des prototypes d'expérience, et notre MOQ pour l'ordre par lots est de 1000 pc.